Friday, June 23, 2017

Crude Oil Distillation

Pictures of Crude Oil Distillation

Distillation - POGIL
Distillation Why? Gasoline comes from under the ground as part of a mixture that is referred to as crude oil. Crude oil contains many different organic compounds, only some of ... Fetch This Document

Images of Crude Oil Distillation

How To Clean Shiny Surfaces With Baby Oil - Housekeeping
Shine up chrome surfaces with baby oil and these rooms will look spic and span in a jiffy. Most baby oils' key ingredient is mineral oil, which is produced as a byproduct of the distillation of gasoline from crude oil. ... Read Article

Photos of Crude Oil Distillation

Crude oil - BP - BP Educational Service
Crude oil challenge Crude oil Crude oils are made of different mixtures of hydrocarbons that are unique to the conditions under which each reservoir formed over millions of years. For this You may want additional resources for exploring the basics of crude oil and distillation in lesson ... Access Document

Crude Oil Distillation Photos

Distillation Process Of Crude oil - Share And Discover Research
1 | P a g e Introduction: Crude oil is the term for "unprocessed" oil, the materials that comes out of the ground. It is also known as petroleum. ... View This Document

Photos of Crude Oil Distillation

There's A Better Way To Value Refineries For Taxing
In my opinion, what most refinery executives want is to be treated equitably and predictably compared to the other 25 or so crude oil refineries across Texas. Every Texas county with refineries ... Read News

Crude Oil Distillation Pictures

Boiling Point Distribution Of crude Oils Based On TBP And ...
Boiling up to 3000C. The ASTM D-86 distillation is performed within 45 minutes and for that reason it could be used for daily monitoring of the crude distillation ... Read Content

Crude Oil Distillation Photos

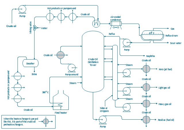
Crude Oil Distillation - Inside Mines - Colorado School Of Mines
Crude Oil Desalter Atmospheric Distillation Vacuum Distillation Gas Separation & Stabilizer Solvent Deasphalting Coking Visbreaking Fluidized Catalytic Cracking Hydro-cracking Naphtha Reforming Isom-erization Sat Gas Plant Polymer-ization Alkylation Naphtha Hydro-treating ... Access Doc

Crude Oil Distillation Photos

Refining Crude Oil - NZIC
VII-Energy-A-Refining Crude Oil-1 REFINING CRUDE OIL New Zealand buys crude oil from overseas, However, the same principles apply and by feeding heated oil to a fractional distillation column, we can, by withdrawing liquid from various trays, separate the oil into varying ... Fetch Doc

Pictures of Crude Oil Distillation

Crude oil And Fractional distillation - EChalk
Polymerisation cracking fractional distillation Crude oil and fractional distillation. Worksheet to complement eChalk resource: “Crude oil: Bounce ... Read Full Source

Crude Oil Distillation

Overview Of Crude Units - University Of Oklahoma
2 trains. Several different designs and configurations for the heat exchanger network in the conventional crude oil distillation unit are possible. ... Retrieve Doc

Crude Oil Distillation Photos

GCSE Science Revision: Fractional Distillation Of Crude Oil ...
Sample animation from our new Watch and Test revision apps. Try the Lite apps for free! For AQA: https://appsto.re/i6LF6kd For OCR: https://appsto.re/i6LF4rS ... View Video

Photos of Crude Oil Distillation

PH / ORP Measurement Crude Oil Distillation
Application Description AD/ANAINST/003–EN Rev. A pH / ORP measurement Crude oil distillation Oil & Gas Overhead crude condensed water Refineries separate crude oil into many different hydrocarbon ... Visit Document

Crude Oil Distillation Photos

distillation - University Of Massachusetts Amherst
Familiar examples include the distillation of crude fermentation broths into alcoholic spirits such as gin and vodka, and the fractionation of crude oil into useful products such as gasoline and heating oil. In the organic lab, distillation is used for purifying ... Access Full Source

Crude Oil Distillation Photos

What Is Distillation - YouTube
Distillation is the process of heating the liquid to form its vapour and then condensing the vapours to form liquid again. It is used to separate two or more ... View Video

Crude Oil Distillation Pictures

Distillation - Simple English Wikipedia, The Free Encyclopedia
An oil refinery uses fractional distillation to purify crude oil, separating several different liquids for different uses. This has been used for a long time, to distill alcohol and produce distilled beverages. Distillation is a commonly used operation in many industries. ... Read Article

Crude Oil Distillation

Crude Oil Distillation Systems (PDF) - Pilodist
PILODIST laboratory & process technology 1 ® With kind permission of BP Gelsenkirchen GmbH PETRODIST ® Crude oil distillation systems according to ASTM - standards ... Read Full Source

Crude Oil Distillation

Fractional distillation - YouTube
Crude oil & Fractional Distillation - The Fuse School - Duration: 4:06. Mooer's Chemistry Revision 1,478 views. 4:06. FRACTIONAL DISTILLATION - Duration: 1:30. ... View Video

Crude Oil Distillation Images

The oil Refining Process: Fractional distillation
The oil refining process: fractional distillation Crude oil (also called petroleum) is a mixture of different hydrocarbons. Many useful products can be made from these hydrocarbons. But first the useful ones must be extracted from the crude oil and separated from one another. ... Document Viewer

Images of Crude Oil Distillation

Design Concept Of crude Oil Distillation Column Design.
Design concept of crude oil distillation column design. Prepare material balance of crude distillation column, on both volume and weight basis. ... Fetch Doc

Photos of Crude Oil Distillation

OIL REFINERY PROCESSES - University Of Mohaghegh Ardabili
OIL REFINERY PROCESSES 1. World Crude Oil Refineries (distillation) is the separation of crude oil in atmospheric and vacuum distillation towers into groups of hydrocarbon compounds of • The crude oil feedstock is heated to 65-180 °C to reduce viscosity ... Retrieve Here

Pictures of Crude Oil Distillation

Crude And Vacuum distillation - Metso
CRUDE AND VACUUM DISTILLATION 221/1/1 EN APPLICATION REPORT 12/15 3 Fuel gas/oil control The furnaces create the heat required to cause vaporisation of most of the feed entering the ... Read Here

Crude Oil Distillation Pictures

Lecture 3 Crude Oil Distillation
201 LECTURE 3 CRUDE OIL DISTILLATION INTRODUCTION Refining of crude oils or petroleum essentially consists of primary separation processes and ... Read Here

Crude Oil Distillation Pictures

Petroleum - Simple English Wikipedia, The Free Encyclopedia
Petroleum, (from Greek πέτρα - rock and έλαιο - oil) also called crude oil, is a thick and black liquid. It is a natural material mainly made of hydrocarbons. ... Read Article

Crude Oil Distillation Images

Did Phillips 66 Stock Rise After Its 2Q17 Earnings Release?
The company is undertaking a series of modernization projects in its Refining segment. The new vacuum distillation unit at the Billings refinery, which increased Phillips 66’s capacity to process ... Read News

Crude Oil Distillation Pictures

Atmospheric Distillation Process Fundamental Concepts
Crude oil processing is the first step in the petroleum refinery. This distillation occurs in the refinery crude unit. Inherent unit performance in atmospheric crude distillation is a balance of heat recovery versus product separation. ... Fetch Full Source

Crude Oil Distillation Photos

Analytical Methods And Techniques Applied To Crude Oil And ...
Crude oil is sold in the form of gasoline, solvents, diesel and jet fuel, an analytical distillation of petroleum was carried out in the early 1870's. DOWNSTREAM - Analytical Methods And Techniques Applied To Crude Oil And Petroleum ... Visit Document

No comments:

Post a Comment